产品描述
管夹式温度传感器是专门设计用于管道和管材非侵入式表面温度测量的热监测设备。这些传感器采用独特的夹紧机制,可牢固地连接到各种直径的管道上,非常适合暖通空调 (HVAC)、工业加工以及无法或不需要直接接触流体的管道应用。
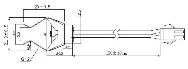
规格

| 不。 | 姓名 | 规格/型号 |
| 2-1。 | 引线 | UL3266-26AWG*2P 125℃ 300V (黑色) L=150±10mm |
| 2-2。 | 热敏电阻 | R25=50KΩ±1% B25/50=3950K±1% MF58R |
| 2-3。 | 管夹 | G12管夹 锰钢镀镍 |
| 2-4。 | 塑壳 | P66黑色尼龙12#型 |
| 2-5。 | 环氧树脂 | J105/J106/J-05X G108/GU01/GU-Mz 黑色 |
| 2-6。 | 终端 | SM-PT终端 |
| 2-7。 | 胶基 | SM-2P 黑色 |
| 2-8。 | 硅酮 | 704单组份硅胶 |
| 2-9。 | 铜片 | 18*12*T0.1磷铜片 |
| 2-10。 | 电影 | 聚酰亚胺薄膜 |
| 2-11。 | 导热硅脂 | 不干性导热硅脂 |
| 2-12。 | 袖子 | ø1.0黑色热缩套管125℃ |
| 2-13。 | 电缆外皮 | 电缆外皮18mm |
特征
弹簧夹设计,确保牢固连接
与不同管径的通用兼容性
高精度温度传感元件
导热膏界面可改善测量效果
耐腐蚀不锈钢结构
无需特殊工具即可轻松安装
宽温度范围兼容性(-50°C 至 150°C)
防风雨和防尘外壳选项
应用
HVAC系统管道温度监测
太阳能热系统性能跟踪
工业过程管道温度控制
管道系统温度调节
能源管理系统数据采集
制冷系统管路监控
楼宇自动化系统集成
预防性维护程序这些传感器在维护管道完整性的同时,提供可靠的温度数据,为封闭管道系统的持续热监测提供最佳解决方案。其多功能设计确保在各种工业和商业应用中提供准确的读数。


















